后倾式樱桃视频在线播放官网入口YWFB355
产品详情
1.产品简介
①性能参数:由4极单相电容运转和三相异步运转两种电机组成,单相额定电压为230V,三相额定电压为380V,频率50Hz,可以输送最大风量为2190m3/h、2500m3/h和2950m3/h左右。
②组成部件:高效外转子交流电机、后倾式圆弧形铝合金叶轮、免维护深沟球滚珠轴承、静电粉末喷塑转子。
③技术特性:6块叶片风轮,IP54或IP44防护等级,B级或F级绝缘等级,S1连续运行模式,可任意安装,内置过载热保护,美国UL和欧洲CE产品认证。
④产品优势:具有使用寿命长、免维护、设计紧凑、外形设计美观、节能高效等特点。
⑤安装方式:标准安装方式为轴与地面平行安装或者转子在下,也可以根据客户需要转子在上面。
⑥行业应用:适用于对噪音要求严的环境及空调系统,如与工业制冷系统、新风系统、厨卫风机、消防风机、通信设备散热器、小型冷凝机组、空气净化器、空气过滤器、屋顶风机、工业设备散热、冷风机组、模块机组、空调天花机等设备配套使用。
后倾式樱桃视频在线播放官网入口由过载热保护外转子电机、高效后倾式圆弧形离心叶轮两部分组成。叶轮全部采用模具化生产,经精密动平衡机器高速校验,具有体积小,效率高,风量大,振动小,噪音低,性能优越,安装调试方便等优点,是空调、净化、冷冻行业较理想的配套产品。广泛适用于宾馆、饭店、学校、工厂等场所和民用、工业建筑的通风换气。
樱桃视频污下载APP樱桃视频在线播放官网入口的分类、产品应用、风机结构、设计选用说明、风机型号说明、产品认证详见:外转子樱桃视频在线播放官网入口YWF系列产品概述
2.技术参数
| 型号 | 额定电压 | 频率 | 额定电流 | 输入功率 | 转速 | 最大风量 | 电容 | 噪音 | 曲线 |
| YWFB4E355L | 230 | 50 | 0.82 | 180 | 1380 | 2190 | 6 | 68 | ① |
| YWFB4E355 | 230 | 50 | 0.95 | 220 | 1400 | 2500 | 8 | 69 | ② |
| YWFB4E355H | 230 | 50 | 1.0 | 225 | 1400 | 2950 | 8 | 69 | ③ |
| YWFB4D355H | 400Y | 50 | 0.52 | 225 | 1400 | 2950 | / | 69 |
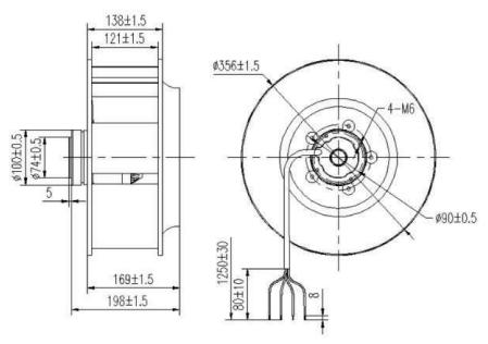
3.外形尺寸图

4.风量风压曲线图








