双进风樱桃视频在线播放官网入口YWFD133
产品详情
1.产品简介
本款产品为2极或4极双进风蜗壳樱桃视频在线播放官网入口。额定电压为230V,额定电流从0.33
到0.85A。与同样大小的单进风蜗壳樱桃视频在线播放官网入口相比,该款产品噪音值范围只在53-57dB(A)之间,噪音低,风量大。叶轮全部采用模具化生产,经动平衡校正,具有体积小,噪音低,效率高安装调试方便等特点。欢迎有需求的用户前来选购。
双进风蜗壳樱桃视频在线播放官网入口是我司吸收国内外先进技术研制开发生产的樱桃视频在线播放官网入口,由蜗型机壳、外转子电机、多翼前向式离心叶轮三部分组成。壳体均采用镀锌钢板或不锈钢板,经机械化模具加工后电焊链接而成,结构牢固、合理紧凑。风量为510到2000立方米/小时,风轮直径从133mm到180mm,共有4种型号。叶轮全部采用模具化生产,经精密动平衡机器高速校验,具有体积小,效率高,风量大,振动小,噪音低,性能优越,安装调试方便等优点,是空调、净化、冷冻行业较理想的配套产品。广泛适用于宾馆、饭店、学校、工厂等场所和民用、工业建筑的通风换气,适用于对噪音要求严的环境及空调系统。
樱桃视频污下载APP樱桃视频在线播放官网入口的分类、产品应用、风机结构、设计选用说明、风机型号说明、产品认证详见:外转子樱桃视频在线播放官网入口YWF系列产品概述
2.技术参数
| 型号 | 额定电压 | 频率 | 额定电流 | 输入功率 | 转速 | 最大风量 | 电容 | 噪音 | 曲线 |
| YWFD2E133 | 230 | 50/60 | 0.77/0.95 | 175/210 | 1400/1500 | 640/560 | 4 | 58 | ①② |
| YWFD4E133 | 230 | 50/60 | 0.5 | 100 | 1100 | 800 | 2.5 | 57 | ③ |
| 230 | 50/60 | 0.42/0.54 | 90/120 | 1300/1320 | 610/620 | 3 | 56 | ④⑤ |
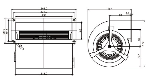
3.外形尺寸图

4.风量风压曲线图







