单进风前倾式蜗壳樱桃视频在线播放官网入口YWFF133
1.产品简介
该款风轮直径为133mm,由额定电压为115V和230V,频率为50Hz或60Hz的2极或4极单相电容电机组成,适用于不同的国家和地区以及对转速有特殊要求的客户,可输送的最大风量为300m3/h。它由高效外转子交流电机、镀锌钢板蜗壳、多翼前倾式离心叶轮、免维护深沟球滚珠轴承、静电粉末喷塑转子组成。IP54或IP44防护等级、B级或F级绝缘等级、S1连续运作模式、内置过载热保护器、产品都通过了美国UL和欧洲CE产品认证,防护等级为IP54和IP44,绝缘等级为B级和F级。具有使用寿命长、免维护、高效率、低功耗,高经济性,设计紧凑,节省空间,美观,低压启动等特点。产品广泛适用于学校、医院、宾馆等场所的通风换气,与各种通风柜、风机箱、抽油烟机、工业制冷系统、除尘机等配套使用。
单进风前倾式樱桃视频在线播放官网入口根据风机外形可分为蜗壳前倾式樱桃视频在线播放官网入口和常规前倾式樱桃视频在线播放官网入口两种。蜗壳前倾式樱桃视频在线播放官网入口共有120mm、133mm、140mm、150mm、160mm、180mm等六种,常规前倾式樱桃视频在线播放官网入口有200mm、225mm、250mm、280mm、315mm、355mm、400mm、450mm等八种。
前一种风机主要采用镀锌钢板或不锈钢板制成的蜗壳壳体、过载热保护外转子电机、高效离心叶轮等三部分组成,主要与各种通风柜、风机箱、抽油烟机、工业制冷系统、除尘机组等配套使用。后一种风机由多翼前倾式离心叶轮和带有过载热保护外转子的电机组成,多用于各种中央空调、新风系统、空气净化过滤设备、管道通风设备等。
樱桃视频污下载APP樱桃视频在线播放官网入口的分类、产品应用、风机结构、设计选用说明、风机型号说明、产品认证详见:外转子樱桃视频在线播放官网入口YWF系列产品概述
2.技术参数
| 型号 | 额定电压 | 频率 | 额定电流 | 输入功率 | 速度 | 最大风量 | 电容 | 噪音 | 曲线 |
| YWFF2E133L | 115 | 50/60 | 0.8/1 | 90/110 | 2050 | 250 | 8 | 65 | ① |
| 230 | 50/60 | 0.35/0.4 | 75/90 | 2000 | 250 | 2 | 65 | ||
| YWFF2E133H | 230 | 50/60 | 0.35/0.4 | 80/90 | 2000 | 300 | 2 | 67 | ② |
| YWFF4E133H | 230 | 50 | 0.24 | 50 | 1300 | 250 | 2 | 55 | ③ |
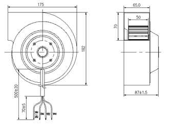
3.外形尺寸图

4.风量风压曲线图








